首先,我們看AII-B4L(A2-B4L)這個機器人的分解圖如下:

對照上圖,我們再來看下文:
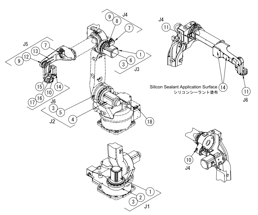
一、J1軸(第一軸)
1.上圖配件符號:①,名稱:交流伺服電機,型號:W-L02150。
2.上圖配件符號:②,名稱:RV減速機,型號:W-L02116。
3.上圖配件符號:③,名稱:潤滑脂,型號:100-0624。
一、J2軸(第二軸)
1.上圖配件符號:④,名稱:交流伺服電機,型號:W-L02152。
2.上圖配件符號:⑤,名稱:RV減速機,型號:W-L02117。
3.上圖配件符號:③,名稱:潤滑脂,型號:100-0624。
三、J3軸(第三軸)
1.上圖配件符號:①,名稱:交流伺服電機,型號:W-L02150。
2.上圖配件符號:⑥,名稱:RV減速機,型號:L10725G00。
3.上圖配件符號:③,名稱:潤滑脂,型號:100-0624。
四、J4軸(第四軸)
1.上圖配件符號:⑦,名稱:交流伺服電機,型號:W-L02148。
2.上圖配件符號:⑧,名稱:諧波減速機,型號:W-L02034。
3.上圖配件符號:⑨,名稱:潤滑脂,型號:2670-052。
4.上圖配件符號:⑩,名稱:潤滑脂,型號:2670-017。
5.上圖配件符號:⑪,名稱:潤滑脂,型號:2670-017。
五、J五軸(第五軸)
1.上圖配件符號:⑦,名稱:交流伺服電機,型號:W-L02148。
2.上圖配件符號:⑫,名稱:諧波減速機,型號:L10725H00。
3.上圖配件符號:⑬,名稱:皮帶,型號:W-L02051。
4.上圖配件符號:⑭,名稱:潤滑脂,型號:2670-017。
5.上圖配件符號:⑨,名稱:潤滑脂,型號:2670-052。
六、J1軸(第六軸)
1.上圖配件符號:⑮,名稱:交流伺服電機,型號:W-L02147。
2.上圖配件符號:⑯,名稱:諧波減速機,型號:W-L02036。
3.上圖配件符號:⑭,名稱:潤滑脂,型號:2670-015。
4.上圖配件符號:⑰,名稱:潤滑脂,型號:2670-053。
5.上圖配件符號:⑩,名稱:潤滑脂,型號:2670-017。
6.上圖配件符號:⑪,名稱:潤滑脂,型號:2670-017。
七、內部配線
1.配件名稱:電纜組件(1)(主體後部~上臂),型號:L10525C00。
2.配件名稱:電纜組件(2)(上臂內J5、J6軸用),型號:L10525D00。
3.配件名稱:電纜組件(3)(上臂內J5、J6軸用),型號:L10525E00。
4.配件名稱:電纜組件(4)(上臂內J6軸用),型號:L10470H00
八、組件
1.配件名稱:J5軸單元(J5軸組件),型號:L10470C0O。
2.配件名稱:J6軸單元(J6軸組件),型號:L10470B0O。
九、其他
1.配件名稱:功率電纜(J1內部),型號:L10485000。
2.配件名稱:功率電纜(從J2到上臂),型號:L10485S00。
3.上圖配件符號:⑱,名稱:電池,型號:100-2147。
公 司:OTC DAIHEN設備和配件的專業供應商
連絡人:方經理
電話:
手機:180-9663-1656
E-mail:15305667776@163.com
地 址:安徽省合肥市望江西路502號