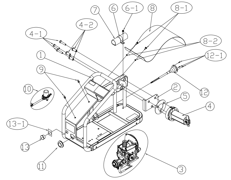
OTC送絲機CM6201\CM6202\CM6402這三種型號送絲機的主機及配線的零部件規格及對應的OTC訂貨號都是一樣的。我們先看主機及配線分解圖

再看下文:
1.配件符號:1,型號:U30055C01,名稱:機架組件,備註:組件,含2。
2.配件符號:2,型號:U30055C02,名稱:蓋板。
3.配件符號:3,型號:FWT-540-A2-0TC,名稱:送絲總成,備註:組件參照9. 2。
4.配件符號:4,型號:U30055F01,名稱:盤軸組件,備註:組件含4-1、4-2。
5.配件符號:4-1,型號:GB 9074.17-88 M8X45,名稱:螺栓組合件,備註:組件。
6.配件符號:4-2,型號:U30055F02,名稱:絕緣套。
7.配件符號:5,型號:U30055F03,名稱:絕緣墊。
8.配件符號:6,型號:U30055C04,名稱:固定夾,備註:不含6-1。
9.配件符號:6-1,型號:GB 9074.13-88 M5X16,名稱:螺栓組合件。
10.配件符號:7,型號:U30055J01,名稱:護皮。
11.配件符號:8,型號:U30055C03,名稱:防塵罩,備註:不含8-1、8-2。
12.配件符號:8-1,型號:GB 9074.8-88 M4X10,名稱:螺釘組合件。
13.配件符號:8-2,型號:GB 6170-2000 M4,名稱:六角螺母。
14.配件符號:9,型號:U30022C04,名稱:掛柱。
15.配件符號:10,型號:U30056G00,名稱:氣體管路,備註:組件參照9. 3。
16.配件符號:11,型號:QW-W00016,名稱:橡膠保護帽。
17.配件符號:12,型號:U30055E01,名稱:控制纜線組件,備註:組件,含12-1。
18.配件符號:12-1,型號:GB 846-85 ST2.9X9.5-F,名稱:十字槽沉頭自攻螺釘。
19.配件符號:13,型號:HP-16,名稱:扣式塞頭。
20.配件符號:13-1,型號:U30056C01,名稱:擋板。
OTC送絲機CM6201\CM6202\CM6402主機的零部件規格及對應的OTC訂貨號就說到這裡,希望能給您帶來幫助,同時如果您需要購買OTC的任何配件,都可以與我聯繫
公 司:OTC DAIHEN設備和配件的專業供應商
連絡人:方經理
電話:
手機:180-9663-1656
E-mail:15305667776@163.com
地 址:安徽省合肥市望江西路502號